快速、**地检测和评估活细胞
检测活细胞–快速且**
如今,您可以借助蔡司这款紧凑型倒置显微镜研究活细胞的形态及评估它们的发育。蔡司显微镜Primovert是细胞培养实验室的*佳助手,您借助它能够快速**地在明场方式下检测未染色细胞,以及在荧光观察方式下检测GFP标记的细胞。它可直接放入超净工作台中,从而能够让您在无菌环境下工作。
此外,内置相机和iPad上使用的Labscope成像应用程序使其拥有非常出色的灵活性:在无菌室外观察细胞并与同事们一起评估。
更简单、更智能、更高度集成
用于细胞培养实验室的完整解决方案
蔡司Primovert显微镜的全部特性旨在方便您的日常工作。使用主机架上的开关,从相差观察方式到荧光观察方式轻松一键切换,更方便的评估未染色和GFP标记的细胞。选择不同支架与各类容器配合工作,如培养皿和多孔板。当使用培养瓶时,只需轻松拆下聚光镜就能增大工作距离。这款紧凑型倒置显微镜可直接放入超净工作台中,从而能够让您在无菌环境下工作。

**工作流程:打开电源即可随时开始评估
蔡司倒置显微镜Primovert只需打开电源即可使用。台式开关方便了显微镜的启闭操作。内置LED荧光让您可以立即开始工作,无需预热或冷却。另一大节能特性:当处于非工作状态时,15分钟后系统便会自动关机。这款显微镜方便易用且运行成本低,根据需要调整ergotube人体工学镜筒的观察角度,无论是站立或是坐立均能让您舒适的工作。

全互连的细胞培养实验室
蔡司倒置显微镜Primovert HDcam设计灵活:内置相机让您省去连接适配器和相机或调整相机设置的操作。借助iPad和Labscope免费成像应用程序与团队一起讨论图像。Primovert HDcam允许您采集显微图像、拍摄视频、创建注释和报告及编辑图像,将文件保存**Windows网络中,或通过无线设备与同事们进行交流协作。如果愿意,您还可以将图像输出**显示器、投影仪或笔记本电脑。

应用无极限
*大限度地利用Labscope成像应用程序的功能,将蔡司显微镜Primovert变为一部配有无线成像系统的内置式高清相机。无论在实验室或教室,Labscope均能更轻松地捕获图像和录制显微样品的视频。创建注释和报告、编辑图像及将文件保存**Windows网络中。或随时随地与同事们一起共享。直观的用户操作界面能让您很快上手,大大缩短学习时间。
在有iPad时使用Primovert HDcam

将一台或多台iPads同时与Primovert HDcam互连。

借助蔡司免费iPad成像应用程序Labscope,您可以同时与多位用户共享实时图像。

如有**要,您还可以直接在主机架上给iPad充电。
在无iPad时使用Primovert HDcam
借助Primovert HDcam及其内置的500万像素相机,您可以直接在主机架上采集图像和摄录视频、调节对比度和亮度等摄录条件,甚**能够使用遥控器从不同位置控制显微镜。





充分利用Primovert HDcam上的各类接口。使用免费的ZEN lite成像软件可以将文件传输**计算机或笔记本,将图像直接输出到超净工作台内的显示器上,或将数据保存**主机架上的 SD 卡中。

LED光源拥有长效使用寿命和稳定色温。使用LED荧光可以免去灯泡的预热、冷却和调整,并以恒定亮度工作。

蔡司倒置显微镜Primovert装配了适用于所有物镜的通用相差滑块。您可以将一个单独的相差环Ph1用于放大倍率为10×、20×和40×的物镜,以便在改变放大倍率时无需重新调整相位。

当使用培养瓶时,您可以拆下聚光镜来增大工作距离。

装配可调式ergotube人体工学镜筒的Primovert能让您舒适地工作,无论是站姿或是坐姿。

您可以借助各式支架和载物台调节装置来配合培养瓶和多孔板的使用。此外,您还能够为大多数培养皿扩充载物台。

使用免费的ZEN lite显微镜软件控制蔡司显微镜相机、采集图像或查看CZI文件。
为您的应用量身定制
典型样品,典型应用 | 任务 | 蔡司Primovert的性能优势 |
Primovert应用 | 使用含多个物镜的转盘来改变放大倍率(范围:4× – 40×),配相差环。 | Primovert配有一个4孔物镜转盘和多款物镜。您可以使用配有相差环及放大倍率分别为4×和40×的Plan-Achromat物镜和LD Plan-Achromat物镜。 |
使用显微镜培训技术助理和学生。 | Primovert HDcam适用于多人共览成像结果。您可以连接一台或多台显微镜,使用iPad上的成像应用程序Labscope采集和共享图像。 | |
或者,在没有iPad时借助笔记本电脑、投影仪和SD卡接口使用Primovert HDcam。 | ||
采集、编辑、记录和共享成像结果——例如,在质量管理中。 | Primovert HDcam适用于多人共览成像结果。您可以连接一台或多台显微镜,使用iPad上的成像应用程序Labscope采集和共享图像。 | |
长时间使用显微镜。 | 在自动模式下,Primovert处于待机状态,若15分钟未使用设备,系统会自动关机。只需按一下按钮便可将显微镜再次唤醒。 | |
ergotube人体工学镜筒有助于延长操作人员使用显微镜的时间。通过分别调整观察高度和角度,无论是站立或是坐立均能让您舒适地工作。 | ||
允许多用户操作显微镜。 | Primovert HDcam适用于多人共览成像结果。您可以连接一台或多台显微镜,使用iPad上的成像应用程序Labscope采集和共享图像。 | |
评估未染色的透明样品,如活细胞。 | Primovert 拥有相差观察方式。您可以将一个通用的相差滑块(Ph0、Ph1和Ph2)用于放大倍率为10×、20x 和40×的物镜,以便在改变放大倍率时无需重新调整相位。 | |
在无菌环境下使用显微镜(细胞培养室中的超净工作台) | Primovert的紧凑型设计使此款显微镜可用于任一细胞培养实验室。将Primovert HDcam放入超净工作台中,利用远程控制及连接笔记本电脑或显示器,直接在无菌环境下工作。 | |
激发和观察GFP荧光基团。 | 借助Primovert iLED,您可以直接在主机架上轻松实现明场与荧光观察方式的切换,以及评估未染色和GFP标记的细胞。 | |
LED荧光甚**能够提供样品照明,从而避免长时间预热和冷却及灯泡调整。 | ||
使用多种细胞培养容器,如培养皿、多孔板和培养瓶。 | Primovert为不同的细胞培养容器配备了一系列样品夹和载物台元件。如果您想在边缘堆叠几个容器,则可以使用载物台扩充装置。当使用培养瓶时,只需轻松拆下聚光镜就能增大工作距离。 | |
使用培养皿。 | Primovert是一款倒置显微镜,非常适合观察从培养容器底部收集的细胞。 |
蔡司 Primovert 应用案例



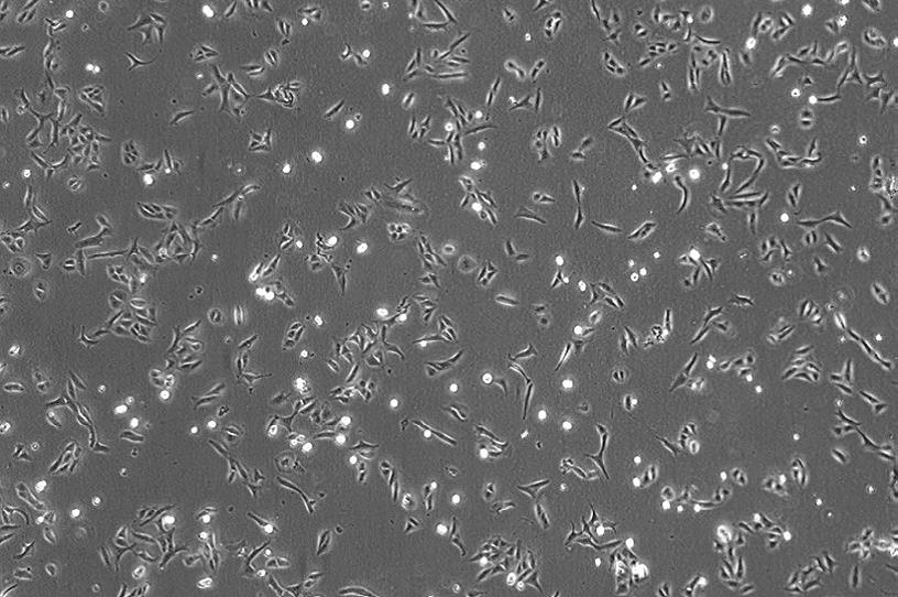
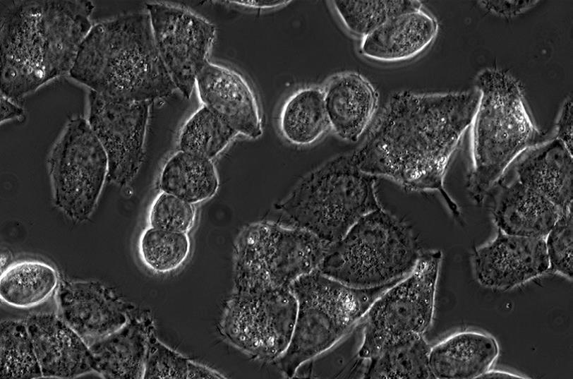
(U2OS 细胞)放大倍率:40×,相差 鼠尾草上白粉菌内分生孢子的形成放大倍率:40× (辐射微星鼓藻)放大倍率:40×,相差



(U2OS细胞,GFP标记)放大倍率:20×荧光观察 (海拉细胞)放大倍率:20× 相差 (海拉细胞)放大倍率:40×相差
灵活多样的模块选择

1 显微镜
Primovert
Primovert photo
Primovert ergo
Primovert iLED
Primovert HDcam
2 推荐的物镜
? Plan-ACHROMAT 4×/0,10 HF
? Plan-ACHROMAT 4×/0,10 Ph0
? Plan-ACHROMAT 10×/0,25 Ph1
? LD Plan-ACHROMAT 20×/0,30 Ph1
? LD Plan-ACHROMAT 40×/0,50 Ph1
? LD Plan-ACHROMAT 20×/0,30 Ph2
? LD Plan-ACHROMAT 40×/0,50 Ph2
3 聚光镜
LD condenser 0.3(工作距离: 72 mm)
LD condenser 0.4(工作距离: 55 mm)
4 光源
透射光:
HAL 30W(卤素灯)
LED
反射光:
470nm荧光LED
38HE滤色片
5 相机
推荐使用的相机:
Axiocam ICc 5
Axiocam ICc 1
Axiocam ERc 5s
6 软件
ZEN lite
用于iPad的成像应用程序Labscope
| 招标产品 | 品牌/型号 | 招标单位 | 中标单位 | 中标价格 | 中标日期 |
